6MBP10VAA120-50은 효율적인 전원 전환 및 내장 보호 기능이 필요한 산업 응용 분야를 위해 설계된 Fuji Electric의 고성능 지능형 전력 모듈 (IPM)입니다.전압 등급은 1200V이고 현재 용량이 10A 인이 모듈은 까다로운 환경에서 신뢰성과 장기 성능을 향상시킵니다.Fuji Electric의 V- 시리즈의 일부인 6MBP10VAA120-50은 시스템 효율성을 향상시키고 구성 요소 복잡성을 줄이기위한 산업에 작고 효율적인 솔루션을 제공합니다.

그만큼 6MBP10VAA120-50 Fuji Electric의 고성능 지능형 전력 모듈 (IPM)으로 효율적인 전력 스위칭 및 보호 기능을 필요로하는 산업 응용 분야를 위해 설계되었습니다.전압 등급은 1200V이고 현재 용량이 10A 인이 모듈은 향상된 신뢰성과 성능을 제공합니다.IGBT 드라이브 회로, 과전류 보호, 단락 보호 및 과열 보호와 같은 주요 기능을 통합하여 까다로운 환경에서 안전한 작동 및 수명을 보장합니다.이 모듈은 인버터, AC 서보 드라이브, 에어컨 시스템, 엘리베이터, 용접 기계, UPS 시스템 및 기타 다양한 전력 전자 제품에 사용하기에 이상적입니다.
6MBP10VAA120-50은 Fuji Electric의 V 시리즈의 일부이며 시스템 효율성을 향상시키고 구성 요소 크기와 복잡성을 줄이기 위해 설계되었습니다.고효율과 장기 신뢰성을 요구하는 응용 분야를위한 강력한 솔루션을 제공합니다.운영을 최적화하려는 사람들의 경우 6MBP10VAA120-50의 대량 주문을 구매할 수 있습니다.
• 저전력 손실: Fuji Electric의 6 세대 VR-IGBT 칩을 활용하여 턴 오프 스위칭 에너지와 포화 전압 간의 트레이드 오프를 최적화하여 총 전력 손실을 줄입니다.
• 통합 보호 회로: 과전류 (OC), 단락 (SC), UV (Under-Voltage) 및 과열 (TJOH) 보호 기능을 포함하며, 각각 실시간 모니터링 및 응답을위한 전용 온칩 센서가 있습니다.
• 경보 신호 출력: 모든 보호 기능을 활성화시킬 때 외부 경보 신호를 제공하여 프롬프트 시스템 응답 및 유지 보수를 용이하게합니다.
• 최적화 된 게이트 드라이브 회로: 게이트 임피던스를 최소화하는 내장 게이트 드라이브 회로가 특징으로되어 음의 전원 공급 장치가 필요하지 않으며 효율적인 IGBT 작동을 보장합니다.
• 강화 된 열 관리: 최대 150 ° C의 접합 온도 범위 내에서 작동하여 높은 열 조건에서 신뢰성을 보장하도록 설계되었습니다.
• ROHS 준수: 세계 규정에 맞춰 위험 물질이 없어서 환경 표준을 충족시킵니다.
• 인버터: 태양과 바람과 같은 재생 가능한 에너지 원을 위해 전력 변환 시스템에서 활용하여 효율적인 에너지 변환을 보장합니다.
•AC 서보 드라이브: 산업 기계를위한 정확한 모션 제어 시스템에 사용되어 성능 및 정확도 향상.
•에어컨 장비: HVAC 시스템에 통합되어 온도를 효율적으로 조절하여 에너지 절약에 기여합니다.
•엘리베이터: 매끄럽고 안정적인 작동을 위해 엘리베이터 제어 시스템에서 사용하여 사용자 경험을 향상시킵니다.
•용접 기계: 용접 장비에 통합되어 안정적인 전원 공급 장치를 제공하여 품질 용접을 보장합니다.
•무정전 전원 공급 장치 (UPS): 백업 전원 시스템에서 중요한 중단 중에 전력을 유지하여 민감한 장비를 보호합니다.
• 전원 공급 장치 스위칭: 전력 전력을 효율적으로 변환하기 위해 다양한 전자 장치에 적용됩니다.
•PC 및 서버: 컴퓨팅 장비의 안정적이고 안정적인 작동을 보장하기 위해 전원 공급 장치에 통합.
• 평면 TV: 전력 회로에 사용하여 일관된 전력을 제공하여 디스플레이 품질을 향상시킵니다.
•자동차: 효율적인 전력 관리를 위해 전기 자동차 및 하이브리드 시스템에 사용되었습니다.
• LED 조명: 안정적이고 효율적인 조명 솔루션을 보장하기 위해 LED 드라이버에 사용됩니다.
•에어컨: 효율적인 온도 제어를 위해 에어컨 시스템에 통합.
6MBP10VAA120-50은 제조합니다 Fuji Electric Co., Ltd., 전기 및 전자 장비를 전문으로하는 일본 최고의 회사.Fuji Electric은 Furukawa Electric과 Siemens AG 간의 자본 및 기술 제휴를 통해 1923 년에 설립 된 Fuji Electric은 에너지 및 환경 기술의 혁신의 최전선에 서있었습니다.이 회사는 일본 도쿄에 본사를두고 있으며 아시아, 유럽 및 아메리카에서 강력한 입지로 전 세계적으로 운영됩니다.

이 블록 다이어그램은 전력 변환과 관련된 다양한 중요한 구성 요소가있는 3 상 IGBT 모듈을 나타냅니다.여기에는 여러 사전 드라이버 회로가 포함되어 있으며 각각 단계 U, V 및 W.에 대한 특정 IGBT 스위치 세트를 제어합니다. VCC (전압 공급),,, vsen (전압 감지), 그리고 GND (지상) 각 단계에 대한 연결이 표시되어 적절한 전압 조절 및 측정을 보장합니다.
그만큼 중앙 사전 드라이버 블록 책임이 있습니다 각 IGBT의 스위칭 제어 입력 신호를 기준으로합니다.각 단계의 전압 피드백은 올바른 작동을 보장하기 위해 제어 시스템에 공급됩니다.또한 다이어그램 기능 과전류 보호 (ALM 및 NLM 연결로 표시)시스템 상태를 모니터링하고 결함의 경우 알람 또는 스위치를 활성화합니다.VSC 신호가 연결되어있을 것입니다 단락 감지, 동안 저항 요소 (RLM) 하단에서 부하 또는 오류 감지 메커니즘을 제안합니다.이 레이아웃은 일반적으로 모터 제어 시스템, 인버터 및 효율적인 전원 전환이 필요한 기타 산업 응용 분야에서 볼 수 있습니다.
|
매개 변수
이름과 상징 |
상태 |
가치와
단위 |
|
수집기-이미 터 전압 (vCE)) |
- |
0 ~ 1200 v |
|
단락 전압 (vSC)) |
- |
400 ~ 800 v |
|
수집기 전류 (i기음)) |
DC |
10 a |
|
수집기 전류 (iCP)) |
1ms |
20 a |
|
수집기 전류 (-i기음)) |
듀티 = 89% |
10 a |
|
수집가 전력 소산 (p기음)) |
1 장치 |
97 w |
|
사전 드라이버의 공급 전압 (vCC)) |
- |
-0.5 ~ 20 v |
|
입력 신호 전압 (v~에)) |
- |
-0.5 ~ vCC+0.5 |
|
경보 신호 전압 (vALM)) |
- |
-0.5 ~ vCC |
|
경보 신호 전류 (iALM)) |
- |
20 MA |
|
접합 온도 (tJ.)) |
- |
150 ° C |
|
작동 케이스 온도 (tOPR)) |
- |
-20 ~ 110 ° C |
|
저장 온도 (tstg)) |
- |
-40 ~ 125 ° C |
|
솔더 온도 (t솔)) |
- |
260 ° C |
|
분리 전압 (vISO)) |
- |
AC 2500 VRMS |
|
나사 토크 (장착) |
M4 |
1.7 nm |
|
매개 변수
이름과 상징 |
상태 |
최소 |
타이핑 |
맥스 |
단위 |
||
|
인버터 |
오프 신호 입력에서 수집기 전류 (iCES)) |
VCE = 1200 v |
- | - |
1.0 |
엄마 |
|
|
수집기-이미 터 포화 전압 (vCE (SAT))) |
IC = 10 a |
단말기 |
- | - |
2.05 |
다섯 | |
|
|
칩 |
- |
1.68 |
- | 다섯 |
||
|
FWD의 전방 전압 (v에프)) |
if = 10 a |
단말기 |
- | - |
2.55 |
다섯 |
|
|
|
칩 |
- |
2.10 |
- | 다섯 | ||
|
전환 시간 (t~에)) |
VCE = 600 V, T = 125 ° C, IC = 10 A |
- | - | - | µs | ||
|
전환 시간 (t끄다)) |
- | - |
2.1 |
µs | |||
|
스위칭 주파수 (tRR)) |
VDC = 600 V, IC = 10 a |
- | - |
0.3 |
µs | ||
|
P 측 프리 드라이버의 공급 전압 (iCCP)) |
전환 주파수 = 0-15kHz TC = -20
110 ° C까지 |
- | - |
8 |
엄마 |
||
|
N 측 프리 드라이버의 공급 전압 (iCCN)) |
- | - |
18 |
엄마 | |||
|
입력 신호 임계 값 전압 (vINTH (OFF))) |
Vin-gnd |
에 |
1.2 |
1.4 |
1.6 |
다섯 | |
|
입력 신호 임계 값 전압 (vINTH (OFF))) |
|
끄다 |
1.5 |
1.7 |
1.9 |
다섯 | |
|
전류 보호 수준 (iOC)) |
TJ = 125 ° C |
15 |
- | - | 에이 | ||
|
전류 보호 지연 시간 (t의사)) |
TJ = 125 ° C |
- |
5 |
- | µs | ||
|
단락 보호 지연 시간 (tSC)) |
TJ = 125 ° C |
- |
2 |
3 |
µs | ||
|
난방 방지에 대한 IGBT 칩
온도 수준 (t조)) |
IGBT 칩의 표면 |
150 |
- | - |
° C |
||
|
가열 방지 히스테리시스 (tJH)) |
IGBT 칩의 표면 |
- |
20 |
- | ° C
|
||
|
전압 보호 수준에서 (vUV)) |
11.0 |
- |
12.5 |
다섯 | |||
|
전압 보호 히스테리시스 (v중)) |
0.2 |
0.5 |
|
다섯 | |||
|
경보 신호 홀드 시간 (tALM (OC))) |
1.0 |
2.0 |
2.4 |
MS | |||
|
경보 신호 홀드 시간 (tALM (UV))) |
ALM -GND, T = -20 ~ 110 ° C |
VCC ≥ 10V |
2.5 |
4.0 |
49 |
MS | |
|
경보 신호 홀드 시간 (tALM (TJOH))) |
|
5.0 |
8.0 |
11.0 |
MS | ||
|
전류 제한에 대한 저항 (rALM)) |
960 |
1265 |
1570 |
ω |
|||
|
매개 변수
이름과 상징 |
상태 |
가치와
단위 |
|
사례 열 저항에 대한 교차점 (rTh (J-C) q)) |
인버터 (IGBT) |
1.28 ° C/W. |
|
사례 열 저항에 대한 교차점 (rTh (J-C) d)) |
인버터 (FWD) |
2.02 ° C/W. |
|
열 저항을 핀으로하는 경우
화합물 (rTh (C-F))) |
- |
0.05 ° C/W. |

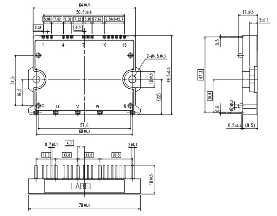
제공된이 개요 도면은 6MBP10VAA120-50 IGBT 모듈의 물리적 치수를 나타내며, 양식 계수 및 시스템에 통합을위한 주요 측정을 자세히 설명합니다.상단보기는 레이블이 붙은 직사각형 모듈을 나타냅니다 터미널 연결 단계를 위해 u, v, w 및 n, 측면에 신호 핀과 함께.그만큼 길이와 너비 모듈의는 다음과 같이 제공됩니다 70mm 및 64mm, 각각의 모듈의 높이는 터미널 영역을 포함하여 18.5 mm입니다.이 모듈은 표준화 된 산업 장착 시스템에 맞도록 설계되었습니다.
도면은 또한 위치를 지정합니다 장착 구멍 (직경 2.5mm) 전원 시스템에 안전한 설치를 보장합니다.그만큼 PIN LAYOUT는 모듈로 배선하는 데 필수적입니다 제어 회로, 및 열 관리 핀 하단보기 돕다 작동 중에 열을 소산하십시오.이 핀은 효율적인 냉각을 유지하고 과열을 방지하는 데 중요하며, 이는 고성능 응용 분야에 중요합니다.자세한 치수는 특정 공간 제약 조건이있는 장비에 모듈을 올바르게 설치할 수 있도록합니다.
장점
•고효율: 고급 IGBT 기술을 통해 6MBP10VAA120-50은 작동 중에 낮은 전력 손실을 보장하여 전력 변환 애플리케이션의 시스템 효율이 높아집니다.
•내장 보호 기능:이 모듈은 과전류, 단락, 저전압 및 과열에 대한 보호 회로를 통합하여 시스템 신뢰성 및 안전성 향상을 강화합니다.
•열 관리: 넓은 온도 범위 내에서 효과적으로 작동하도록 설계된 열 성능이 향상되어 고전력 응용 분야에 적합합니다.
• 작고 통합 된 디자인:이 모듈은 단일 패키지의 여러 기능을 결합하여 전원 시스템의 복잡성 및 공간 요구 사항을 줄입니다.
•내구성: Fuji Electric의 기술은 까다로운 조건에서도 장기적인 신뢰성을 보장하며, 이는 산업 및 자동차 애플리케이션에 중요합니다.
•ROHS 준수:이 모듈은 환경 표준을 준수하여 유해 물질에 대한 엄격한 규제가있는 시장에 적합합니다.
단점
•제한된 전류 용량: 현재 등급이 10a의 경우, 모듈은 더 높은 전류 등급 또는 강력한 전력 변환이 필요한 응용 프로그램에 적합하지 않을 수 있습니다.
•전압 등급: 1200V 전압 등급은 많은 응용 프로그램에 적합하지만 더 높은 전압 레벨이 필요한 시스템의 요구를 충족시키지 못할 수 있습니다.
• 소규모 응용 분야의 복잡성: 통합 기능은 더 작고 덜 까다로운 시스템의 과잉이어서 불필요한 비용을 초래할 수 있습니다.
•외부 냉각에 대한 의존성: 열 성능이 향상 되었음에도 불구하고 최적의 작동을 유지하기 위해 고전력 또는 고온 환경에서 추가 냉각 시스템이 필요할 수 있습니다.
6MBP25VAA120-50
6MBP75VDA120-50
6MBP80RTA060AF-51
6MBP75VBA060-50
6MBP75VBA-060-50
• 과열: 냉각이 충분하지 않거나 과도한 전력 소실로 인해 모듈이 과열 될 수 있습니다.적절한 방열판 및 냉각 시스템을 확인하고 주변 온도가 정격 조건 내에 있는지 확인하십시오.
• 단락 보호 활성화 : 단락은 보호를 유발할 수 있습니다.시스템에 배선 문제, 결함이있는 구성 요소 또는 잘못된 설정이 있는지 검사하고 보호 기능을 올바르게 구성하십시오.
• 과전류 상태: 현재 등급 (10a)을 초과하면 과전류 보호를 활성화 할 수 있습니다.로드 조건, 구성 요소 결함을 확인하고 모듈의 한계 내에서 응용 프로그램이 작동하는지 확인하십시오.
• 저전압 잠금: 필요한 임계 값 미만의 전원 공급 전압 감소는 저전압 보호를 활성화 할 수 있습니다.필요한 경우 전압 조정기를 사용하여 지정된 범위 내에서 안정적인 전압 공급을 보장하십시오.
• G드라이브 실패를 먹었습니다: 게이트 드라이브 또는 소음 간섭이 열악하면 전환 문제가 발생할 수 있습니다.적절한 게이트 드라이브 설계를 보장하고 임피던스를 최소화하며 방패 및 디퍼 커플 링 커패시터를 사용하여 노이즈를 줄입니다.
• 전환 과도로 인한 모듈 손상: 스위칭 중 고전압 또는 전류 과도는 모듈을 손상시킬 수 있습니다.Snubber 회로 또는 소프트 스위치 기술을 사용하여 과도를 최소화하고 구성 요소 레이아웃을 최적화하십시오.
• 실패한 보호 회로: 오작동 방지 회로는 결함 조건 하에서 모듈이 작동하는 것을 방지 할 수 있습니다.정기적 인 유지 보수를 수행하고 보호 기능이 작동하고 결함이있는 구성 요소를 교체하십시오.
|
특징 |
6MBP10VAA120-50 |
6MBP25VAA120-50 |
|
제조업체 |
후지 전기 |
후지 전기 |
|
유형 |
지능형 전원 모듈 (IPM) |
지능형 전원 모듈 (IPM) |
|
전압 등급 |
1200 v |
1200 v |
|
현재 등급 |
오전 10시 |
25 a |
|
전력 등급 |
12kW |
30kW |
|
패키지 유형 |
6 팩 IPM |
6 팩 IPM |
|
내장 보호 |
과전류, 단락, 과열, UV |
과전류, 단락, 과열, UV |
|
게이트 드라이브 |
통합 된 최적화 된 게이트 드라이브 회로 |
통합 된 최적화 된 게이트 드라이브 회로 |
|
열 저항 (사례 교차점) |
0.3 ° C/W. |
0.3 ° C/W. |
|
최대 접합 온도 |
150 ° C |
150 ° C |
|
냉각 방법 |
강제 공기 냉각, 방열판이 필요합니다 |
강제 공기 냉각, 방열판이 필요합니다 |
|
단락 보호 |
예 |
예 |
|
저전압 잠금 |
예 |
예 |
|
경보 신호 출력 |
예 |
예 |
|
포장 |
작고 안정적인 디자인 |
작고 안정적인 디자인 |
|
응용 프로그램 |
인버터, AC 서보 드라이브, UPS,
엘리베이터 |
인버터, AC 서보 드라이브, UPS,
엘리베이터 |
|
ROHS 준수 |
예 |
예 |
6MBP10VAA120-50은 전력 변환 시스템에서 고효율과 보호가 필요한 산업에 강력하고 신뢰할 수있는 솔루션을 제공합니다.통합 보호 회로 및 향상된 열 관리를 포함하여 수많은 장점을 제공하지만 제한된 전류 용량으로 인해 모든 응용 프로그램에 적합하지 않을 수 있습니다.그러나 운영을 최적화하고 시스템 성능을 향상시키려는 비즈니스의 경우 6MBP10VAA120-50은 더 이상적인 선택으로 안전, 수명 및 까다로운 애플리케이션의 효율성을 보장합니다.
PM100CL1A120 산업 시스템을위한 고성능 지능형 전력 모듈
2025-05-14
CM600HB-24A 대안, 기능, 응용 프로그램 및 데이터 시트 안내서
2025-05-14
6MBP10VAA120-50은 Fuji Electric의 고성능 지능형 전력 모듈 (IPM)으로, 산업 응용 분야의 효율적인 전력 스위칭 및 보호를 위해 설계되었으며, 전압 등급은 1200V 및 현재 용량 10A입니다.
여기에는 저전력 손실, 과전류, 단락, 저전압 및 과열, 최적화 된 게이트 드라이브 회로, 향상된 열 관리 및 ROHS 준수를위한 통합 보호 회로가 포함됩니다.
이 모듈은 인버터, AC 서보 드라이브, 에어컨 시스템, 엘리베이터, 용접 기계, UPS 시스템 등에 사용되어 효율적인 전력 변환 및 안정적인 성능을 보장합니다.
이 모듈은 전 세계적으로 전기 및 전자 장비를 전문으로하는 일본 최고의 회사 인 Fuji Electric에서 제조합니다.
모듈의 최대 전압 등급은 1200V입니다.
BCX56-16